|
Вид
|
Пожарная подставка |
|
Тип
|
тройник раструб/фланец |
|
DN
|
600*300 |
|
Материал
|
ВЧШГ |
|
Инженерная система
|
Водоснабжение, канализация |
|
Среда
|
Горячая и холодная вода |
|
Присоединение
|
Раструбное/Фланцевое |
|
ГОСТ/ТУ
|
ISO 2531, ГОСТ 5525-153 |
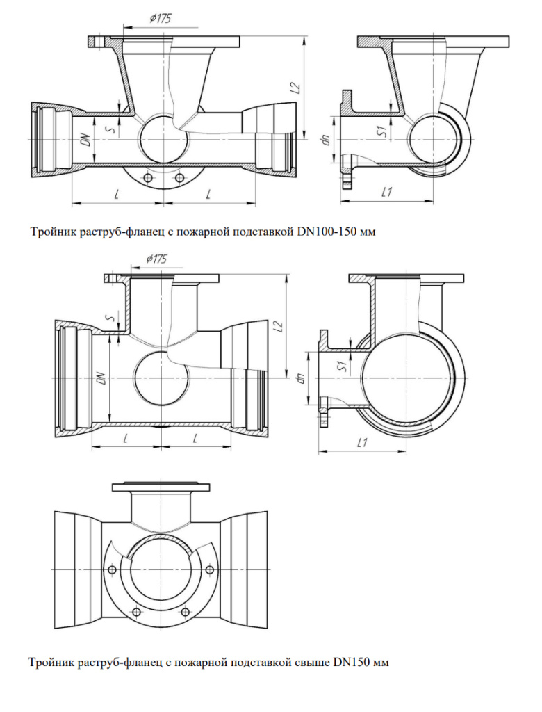
Пожарная подставка под гидрант тройник раструб-фланец ППТРФ - это фасонная часть, которая используется в качестве основания для установки на трубопроводе пожарного гидранта.
Модель оснащена четырьмя патрубками, такая конструкция позволяет устанавливать оборудование на участках пересечения труб. Каждый отвод оснащен фланцами с отверстиями под болты. Главная задача изделия – обеспечение непрерывной подачи воды к месту пожара.
Тройник с пожарной подставкой раструб-фланец ППТРФ рассчитан на долгосрочную эксплуатацию. Для продления срока службы требуется соблюдение правил монтажа, наличие теплоизоляции, плотная стыковка, исключения воздействия открытого пламени. Подставки устанавливают в пожарные колодцы при условии обеспечения быстрого доступа в случае экстренной ситуации.
Материалы
Тройник фланец-раструб с пожарной подставкой ВЧШГ ППТРФ изготовлен из высокопрочного чугуна, в котором графит содержится в виде включений шаровидной формы – такой материал придает конструкции прочность и устойчивость, обеспечивает длительный период эксплуатации в самых неблагоприятных условиях.
Применение
Продукция находит широкое применение в системах водоснабжения, отопления и пожаротушения. Чугунный тройник раструб-фланец ППТРФ с пожарной подставкой используется в промышленных и жилых зданиях, а также в коммунальных службах для обеспечения надежного и безопасного функционирования трубопроводных систем.
ГОСТ/ТУ:
Номенклатура и присоединительные размеры соответствуют требованиям ISO 2531, ГОСТ 5525-88.
ЛТК "СВОБОДНЫЙ СОКОЛ" производит фасонные части из ВЧШГ:
- ЛИТЫЕ ТУ 24.51.30-035-90910065-2021 взамен ТУ 1460-035-90910065-2015
- СВАРНЫЕ ТУ 1468-041-90910065-2013 взамен ТУ 1468-041-50254094-2001
Размеры:
Изготавливается в диаметрах (DN,мм): 100, 150, 200, 250, 300, 400, 500, 600.

*Размеры носят справочный характер, допускается изменение размеров с сохранением функциональных характеристик изделия.
Маркировка
Соединительные части имеют на наружной поверхности литую или нанесенную краской маркировку, включающую следующие обозначения:
- товарный знак предприятия-изготовителя;
- условный проход;
- год изготовления;
- обозначение, что материалом трубы является чугун с шаровидной формой графита (GGG).
Чтобы купить пожарную подставку тройник фланец раструб ППТРФ ВЧШГ необходимого диаметра от DN100 до DN600 оставьте заявку на сайте. Менеджер свяжется с Вами для уточнения деталей заказа и рассчитает стоимость доставки.

